background

Telescoopberegening

Telescoopberegening

Telescoopberegening is een jarenlang beproefd systeem, waarbij de uitgangsgedachte is geweest de nadelen van de conventionele systemen uit te schakelen.

Voordelen van telescoopberegening:

  • Kleinste arbeids verliezen
  • Daardoor meteen bruikbaar
  • Geen zware arbeid
  • Geen hindernis bij oogst en verplegings werk
  • Geen beschadiging van producten t.o.v. buizen met verplaatsen
  • Lange levensduur
  • Door computer volledig regelbaar
  • Kunstmest toevoeging mogelijk

De regeninstallatie biedt door zijn precisie de mogelijkheid de regenintensiteit met een hoogst mogelijk rendement aan te passen aan bijvoorbeeld de dagelijkse verdamping. De arbeid aan de telescoopberegening is praktisch nihil. Geen obstakels voor alle soorten bewerkingen, zoals diepspitten, ploegen ontsmetten, plantklaar maken enzovoorts. Door de genoemde voordelen is het mogelijk de verdamping van overdag 's nachts aan te vullen.

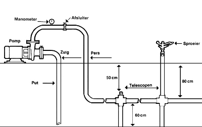
Het kernpunt van het systeem is de telescoop. Deze worden uit PVC buis volgens DIN 8061/8062 ND 10 gemaakt, en zijn daardoor onder de zwaarste omstandigheden in te zetten.

Voordelen van telescopen tegenover statieven: De buizen worden op een diepte van 80-100 cm gemonteerd, evenals de telescopen op de gewenste plaatsen gemonteerd worden. Hierna worden ze onder druk gezet en de telescoop statieven spuiten zich naar boven.
De sproeier wordt gemonteerd en de installatie is voor het HELE seizoen gereed. Aan het eind van het seizoen worden de sproeiers gedemonteerd en op de telescoop statieven terug gedrukt. Het geheel kan daardoor op een diepte van 50 cm tot 80 cm worden bewerkt (dit is afhankelijk van de montage diepte).

terug